风光储系列

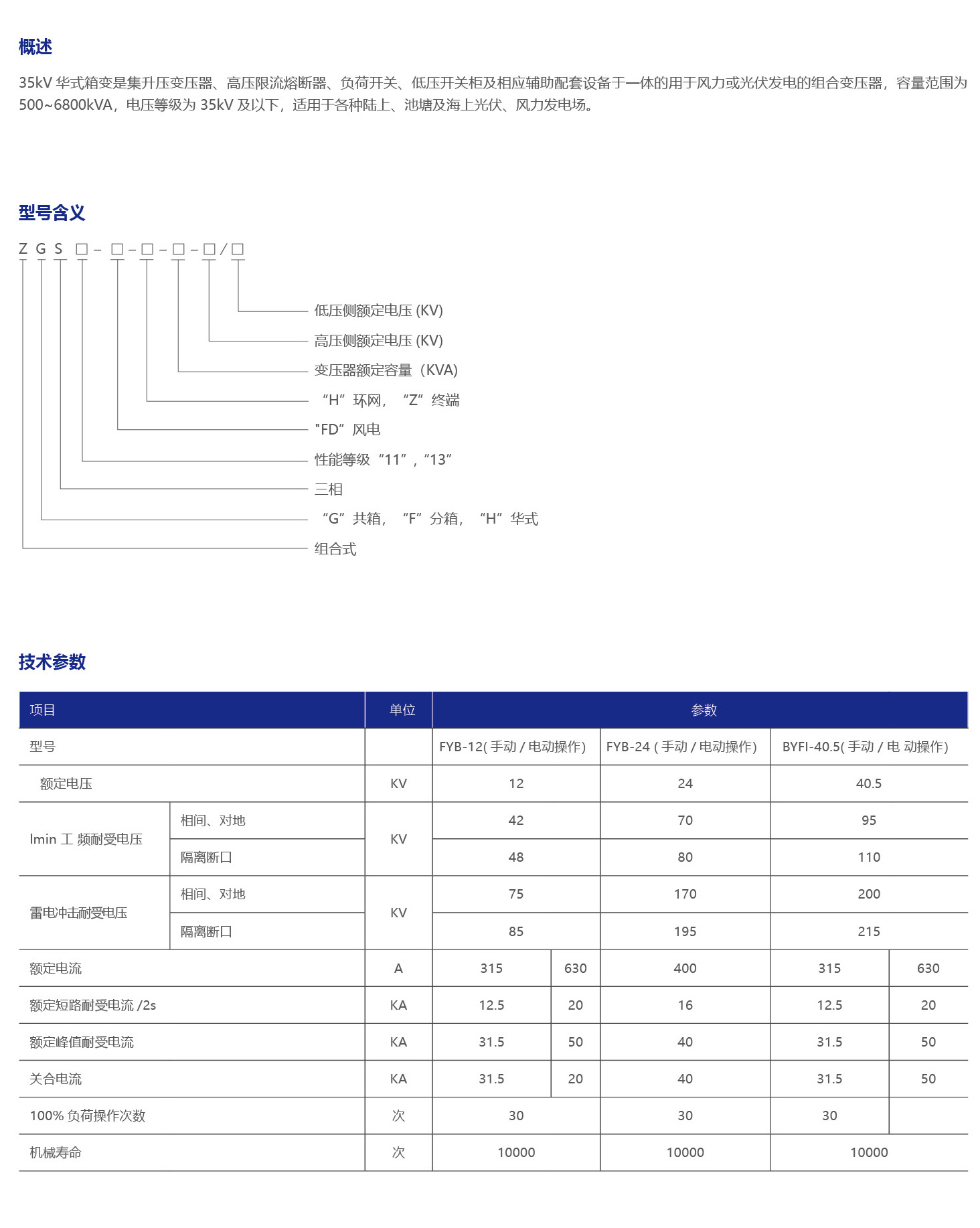
10~35KV华式箱变

10~35KV华式箱变

产品分类:风光储系列
公司简介:浙江正然电气科技有限公司,是工业电器领域的佼佼者,致力于为客户提供卓越品质的电力设备产品。公司专注于工业电器设备的研发、生产、销售与服务,凭借深厚的行业经验和先进的技术实力,不断推动电力电器行业的创新发展。

产品详情

1_05.jpg

正然电气

0577-62655111

(热线电话 7×24)